DIN 2632 DIN EN 1092-1
Vorschweißflansche PN 10
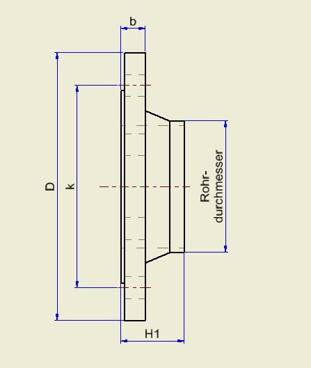
Abmessungen:
| NW |
Rohr- durchmesser |
D |
k |
b | h1 | Löcher |
Gewicht kg |
| 10-150 |
Flansche nach |
||||||
| 200 | 219,1 | 340 | 295 | 24 | 62 | 8 x 22 | 11,3 |
| 250 | 273 | 395 | 350 | 26 | 68 | 12 x 22 | 14,7 |
| 300 | 323,9 | 445 | 400 | 26 | 68 | 12 x 22 | 17,4 |
| 350 | 355,6 | 505 | 460 | 26 | 68 | 16 x 22 | 23,6 |
| 400 | 406,4 | 565 | 515 | 26 | 72 | 16 x26 | 28,6 |
| 500 | 508 | 670 | 620 | 28 | 75 | 20 x 26 | 38,1 |
DIN 2632 Vorschweiflflansche Nenndruck 10,
ersetzt durch DIN EN 1092-1,
Wikipedia
Downloads hier in der CAD-markt - Bibliothek
als 2D-DWG-Files in DN200 - DN400
Angebote von Originalteilen für ihr Projekt:
Bei Ebay werden diese Vorschweißflansche PN 10 auch angeboten.
Es besteht dort die Möglichkeit für kleine Werkstätten,Büros oder Modellbauer auch einzelne Artikel in Kleinstmengen zu bestellen.
Benutzen Sie dazu den folgenden Link:
Verwenden Sie für weitere Recherchen zum Thema die Suchmaschine.
Damit bleiben sie auch noch auf den Seiten vom CAD-markt.
Einfach Thema oder Frage in das Feld eingeben.






