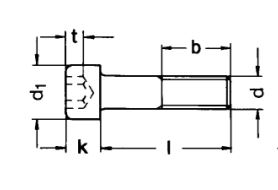
DIN 912 ISO 4762
Zylinderkopfschraube mit Innensechskant
Im Downloadcenter vom CAD-markt als 2D-DWG-File zu finden
Zylinderkopfschraube mit Innensechskant
Bei 3Dfindit als 3D-Modell in verschiedenen CAD-Formaten zu finden
Zylinderkopfschraube mit Innensechskant
Zylinderkopfschraube mit Innensechskant nach DIN 912 finden Sie auch bei Amazon. Der Vorteil ist, daß Sie auch Kleinstmengen bestellen können.
Verwenden Sie für weitere Recherchen zum Thema die Suchmaschine.
Damit bleiben sie auch noch auf den Seiten vom CAD-markt.
Einfach Thema oder Frage in das Feld eingeben.







